
A scoránaigh smeach-flop (T smeach-flop) is ciorcad loighce seicheamhach é a stórálann giotán amháin sonraí agus a athraíonn a aschur bunaithe ar chomhartha clog.
Tugtar smeach-flop scoránaigh air mar athraíonn an t-aschur idir 0 agus 1.
• Fanann an t-aschur T = 0 → mar a chéile (coinnigh)
• T = 1 → lasca aschuir go dtí an staid eile (scoránaigh)
Tá ceann ag T smeach-flop ionchur (T), a ionchur clog (CLK), agus dhá aschur, C agus a chomhlánú Q̅, a léiríonn staid reatha agus urchomhaireach an chiorcaid.Ní athraíonn an t-aschur ach ag imeall an chloig, ag cinntiú oibriú iontaofa.Mar gheall ar a struchtúr simplí, úsáidtear an smeach-flop T go forleathan i gciorcaid dhigiteacha.

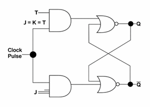
Fíor 2. Smeach-Flop JK arna Thiontú go T Smeach-Flop Trí J = K = T a Chónascadh
Is ciorcad solúbtha é smeach-flop JK a úsáidtear chun píosa amháin sonraí a stóráil.Tá trí ionchur aige: J, K, agus CLK.
Oibriú Bunúsach JK Smeach-Flop
• J = 0, K = 0 → coinnigh (gan athrú)
• J = 0, K = 1 → athshocrú (Q = 0)
• J = 1, K = 0 → tacair (Q = 1)
• J = 1, K = 1 → scoránaigh
Toisc go dtacaíonn sé le hoibríochtaí iolracha, tugtar a smeach-flop uilíoch.
Cothromóid Saintréith

Fíor 3. JK Smeach-Flop Cothromóid Saintréith
Is féidir smeach-flop T a chruthú trí:
J = K = T
Toradh: Cathain T = 0, coinníonn an smeach-flop a staid reatha, agus nuair a T = 1, scoránaigh sé go dtí an staid eile.
Ní athraíonn an t-aschur ach ag imeall an chloig.
Cathain T = 1, scoránaigh an t-aschur le gach cuisle clog, agus mar sin feidhmíonn an ciorcad mar roinnteoir minicíochta.
Tugtar iompar smeach-flop T ag:
Q(seo chugainn) = T ⊕ Q
Cá háit: ⊕ ionann an XOR (NÓ eisiach), rud a chiallaíonn nach n-athraíonn an t-aschur ach amháin nuair a bhíonn na hionchuir difriúil.
Sampla
Q tosaigh = 0
Cathain T = 1, athraíonn an chéad chuisle clog eile Q go 1, agus ar an gcuisle clog seo a leanas, athraíonn Q ar ais go 0, rud a léiríonn go scoránaigh an t-aschur le gach timthriall clog.
|
T |
Clog
Coinníoll |
Staid Reatha (Q) |
An Chéad Stát Eile (Q(next)) |
Oibríocht |
|
0 |
Imeall ag ardú |
0 |
0 |
Coinnigh |
|
0 |
Imeall ag ardú |
1 |
1 |
Coinnigh |
|
1 |
Imeall ag ardú |
0 |
1 |
Scoránaigh |
|
1 |
Imeall ag ardú |
1 |
0 |
Scoránaigh |
|
X |
Gan imeall clog |
C |
C |
Gan athrú |

Fíor 4. T Oibríocht Smeach-flop ar Imeall Cloig Ardaithe
Feidhmíonn A T smeach-flop bunaithe ar an comhartha clog agus an T ionchur.Athraíonn an t-aschur ach amháin ar an imeall ardú ar an clog, áit T = 0 coinníonn an staid reatha gan athrú agus T = 1 is cúis leis an aschur scoránaigh.Cinntíonn sé seo oibriú cobhsaí agus iontaofa.
Is féidir baint a bheith ag smeach-flop T le smeach-flop eile freisin trí thiontuithe simplí.Is féidir smeach-flop JK a thiontú ina smeach-flop D trí nascadh D chuig J agus NÍ D chuig K, a eascraíonn sa chothromóid Q(seo chugainn) = D, i gcás ina leanann an t-aschur go díreach an t-ionchur.I d smeach-flop, D = 0 socraíonn an t-aschur go 0, agus D = 1 leagann sé go 1.
Mar an gcéanna, is féidir smeach-flop T a chur i bhfeidhm trí úsáid a bhaint as smeach-flop D le an geata XOR, cá D = T ⊕ Q.Táirgeann an chumraíocht seo an t-iompar scoránaithe céanna le T smeach-flop.
Ag baint úsáide as SR Smeach-Flop: Tá loighic bhreise ag teastáil chun coinníollacha ionchuir neamhbhailí a sheachaint.
Ag baint úsáide as D Smeach-Flop: Úsáideann geata XOR, ag soláthar dearadh simplí agus éifeachtach.
Ag baint úsáide as JK Smeach-Flop: Nascann ionchuir J agus K le chéile, rud a fhágann gurb é an bealach is éasca chun iompar scoránaigh a bhaint amach.
Rannán Minicíochta - Roinn an comhartha clog ar 2. Is féidir le céimeanna iolracha deighilt tuilleadh.
Áiritheoirí - Úsáidtear é sa chomhaireamh dénártha (m.sh. comhaireamh 4-giotán 0–15)
Áiritheoirí Ripple - Dearadh simplí ach d’fhéadfadh moilleanna beaga a bheith ann
Stóráil Sonraí - Stórálann giotán amháin go dtí an chéad chomhartha clog eile
Ciorcaid Shioncrónacha - Coinníonn sé oibríochtaí córais comhordaithe
Cláir Shift - Bogtar sonraí céim ar chéim i gcórais chumarsáide

Fíor 5. T vs D vs JK Smeach-Flop Comparáid Siombail
|
Gné |
T |
D |
JK |
|
Ionchuir |
1 |
1 |
2 |
|
Oibríocht |
Scoránaigh |
Cóipeáil ionchur |
Iolrach |
|
Scoránaigh |
Tá |
Níl |
Tá |
|
Coinnigh |
Tá |
Mura n-athraítear an t-ionchur amháin |
Tá |
|
Socraigh/Athshocraigh |
Uimh díreach |
Tá |
Tá |
|
Úsáid |
Áiritheoirí |
Stóráil |
Rialú |
|
Castacht |
Íseal |
Íseal |
Meánach |
|
botún |
Ceart
Smaoineamh |
|
Ciallaíonn T = 0 athshocrú |
T = 0 i seilbh an stáit |
|
scoránú leanúnach |
Scoránaigh amháin ag imeall an chloig |
|
Seicheamh aschuir sheasta |
Ag brath ar staid tosaigh |
|
Scartha ó JK |
Tógtha ó JK (J = K = T) |
|
Neamhaird a thabhairt ar chiumhais an chloig |
Ní athraíonn aschur ach ar imeall an chloig |
Is ciorcad simplí éifeachtach é an smeach-flop T a athraíonn staid mar fhreagra ar chomharthaí clog.Toisc a chumas scoránaigh tá sé úsáideach i gcuntair, i roinnt minicíochta, agus i bhfeidhmchláir dhigiteacha eile.Cuidíonn tuiscint ar a oibriú agus a dhearadh le bonn láidir a thógáil i gcórais loighce dhigitigh.
FúINN
Sástacht chustaiméirí gach uair.Iontaobhas frithpháirteach agus leasanna coiteanna.
Gach rud a theastaíonn uait a bheith ar eolas agat maidir le Tonnfhad LED
2026-04-16
MOSFET mar Lasc: Oibriú, Cineálacha, agus Feidhmchláir arna Míniú
2026-04-15
Is é an buntáiste is mó ná a dhearadh simplí.Úsáideann sé ionchur amháin agus is féidir leis stáit a scoránaigh go héasca, rud a fhágann go bhfuil sé éifeachtach maidir le cuntair agus uainiú ciorcaid.
Toisc go n-athraíonn sé staid ar gach cuisle clog nuair a bhíonn T = 1 ann, roinneann sé an minicíocht clog ionchuir ar 2.
Níl aon athrú ar an aschur, beag beann ar an ionchur T, mar ní fhreagraíonn ach smeach-flops do chomharthaí cloig.
Is eilimint stórála aonair é T smeach-flop, agus úsáideann cuntar dhénártha smeach-flop iolrach atá nasctha le chéile chun luachanna a chomhaireamh.
Úsáideann an chuid is mó de na smeach-flops T truicear ciumhais, an ciumhais ardú de ghnáth, chun athruithe stáit atá cruinn agus cobhsaí a chinntiú.
Níl, tá aiseolas ón aschur ag teastáil chun an t-iompar scoránaithe a chumasú.
Stórálann smeach-flop T amháin giota amháin sonraí, 0 nó 1.
Ríomhphost: Info@ariat-tech.comHK TEL: +852 30501966ADD: Rm 2703 27F Ionad Ríthe Ho King 2-16,
Fa Yuen St MongKok Kowloon, Hong Cong.